Vidéo expliquant comment utiliser le catalogue TurnLock
Comment choisir votre TurnLock
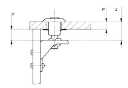
1) Mesurer l'épaisseur correcte

P = Épaisseur du panneau (assemblage de montants)
F = Épaisseur du cadre (réceptacle)
T L'épaisseur totale comprend la partie supérieure (P) et la partie inférieure (F), ainsi que les joints (épaisseur comprimée), l'épaisseur de peinture et les jeux éventuels. Cette dimension indique la longueur du goujon dans les tableaux des séries correspondantes du catalogue. Elle peut varier selon la série ; voir ci-dessous la série TurnLock la plus courante.
2) Déterminez votre série TurnLock
Pour déterminer la série et la référence nécessaires, nous devons connaître la résistance et la force (en newtons) que la connexion doit supporter. Avec cette valeur en newtons, vous pouvez déterminer la série la mieux adaptée à votre application :
| Série | Force à Newton | Application |
| LOPH | N 300 | Service léger |
| LMH | N 670 | Service léger |
| LEG | N 700 | Service léger |
| LEA | N 900 | Service léger |
| MTH | N 1330 | Service moyen |
| MHS | N 3700 | Service moyen |
| HGR | N 4700 | Série Heavy Duty |
| HHS | N 10000 | Série Heavy Duty |
3) Sélectionner le goujon approprié :

sélectionnez si vous voulez de l'acier inoxydable ou de l'acier zingué
sélectionnez si vous voulez être actionné à la main ou à l'aide d'un outil.
4) Choisissez le réceptacle qui convient le mieux à votre application. Veuillez cliquer. here.

5) N'oubliez pas le « numéro de type » de la prise.
A l'aide de l'épaisseur de la plaque, du cadre et du numéro de réceptacle vous pouvez déterminer la bonne formule sur la première page, vous arrivez à une certaine valeur "T".
Utilisez la formule correcte
Chaque série TurnLock utilise des règles d'épaisseur légèrement différentes. Utilisez la méthode « P / F / T » ci-dessous pour choisir la longueur de goujon et le réceptacle correspondants.
Système de verrouillage TurnLock à montage facile pour charges légères (série LEATL)
Système TurnLock respectueux des surfaces décoratives, avec rondelle de protection en plastique. Disponible avec douilles à enclenchement ou à clip. L'œillet à enclenchement permet une installation facile sans rondelle de retenue.

Comment sélectionner (LEATL)
- Déterminez votre Panneau (P) et Cadre (F) épaisseur.
- Sélectionnez le rondelle de retenue or grommet vous voulez utiliser.
- Utilisez les formules des séries pour calculer T et sélectionnez le longueur du goujon du tableau LEATL.
Poignée télescopique allongée légère TurnLock (série LEGTL)
Série à prise en main étendue. Embouts filetés externes pour pièces moulées ou panneaux avec écrou de retenue. Embouts encapsulés pour une protection contre les projections d'eau.

Comment sélectionner (LEGTL)
- Sélectionnez le assemblage de goujons et réceptacle.
- Ajouter un écrou hexagonal pour le réceptacle si nécessaire.
- Sélectionnez le rondelle de retenue de goujon.
- Calculer T = P + X et choisissez le numéro de longueur de goujon dans le tableau.
T = P + XVerrouillage à tourniquet monobloc léger à trou (série LOPHSTL)
Perçage identique pour panneau et cadre. Verrouillage/déverrouillage par quart de tour, résistant aux vibrations, installation rapide sans outil. Épaisseur de serrage : de 2.0 mm à 4.6 mm.

Exemple de référence de pièce
LOPHSTLK33-46ZVerrouillage à tourillon compact pour usage moyen (série MTHTL)
Petites pièces à forte charge de traction, disponibles avec des réceptacles fixes, réglables et flottants et une large gamme de styles de têtes de goujons.



Comment sélectionner (MTHTL)
- Déterminez votre P et F épaisseur.
- Sélectionnez lequel rondelle de retenue vous souhaitez utiliser.
- Déterminez la longueur correcte du goujon en utilisant la formule appropriée au type de prise.
Formules
- Type A + C* + E + F + G :
T = P + F(*Type C : T ≥ 9.9 mm) - Type B:
T = P + F(0.75 min.) - Type D:
T = P + X(X 0.5 min.)
Verrouillage à tourillon haute résistance pour usage moyen (série MHSTL)
Solution compacte haute résistance avec prise plate et précharge élevée.

Comment sélectionner (MHSTL)
- Déterminez votre P et F épaisseur.
- Sélectionnez le rondelle de retenue.
- Utilisez le
T = P + Fpour sélectionner la longueur de goujon appropriée (par exempleMHSTLS-*Z).
T = P + FSystème de verrouillage par poussée/rotation pour usage moyen (série MPPTL)
Ouverture et fermeture rapides par simple pression du doigt. Installation facile grâce à la fixation par un seul trou.



Comment sélectionner (MPPTL)
- Sélectionnez la longueur du goujon dans le tableau (à insérer dans le champ « Référence du goujon »). *).
- Sélectionnez le assemblage de goujons et réceptacle.
- Utilisez la table Standard / Invisible / Flush appropriée à votre configuration.
MPPTL-3Z (utilisez la longueur du goujon n° comme « * » dans le numéro de pièce).Verrouillage à tourillon haute résistance renforcé (série HHSTL)
Verrous TurnLock à précharge élevée et à haute résistance à la traction pour des applications exigeantes telles que les véhicules commerciaux, les autocars, les machines agricoles, le génie chimique et les systèmes de chauffage.



Comment sélectionner (HHSTL)
- Déterminez votre P et F épaisseur.
- Sélectionnez le assemblage de goujons et réceptacle.
- Si scellé : sélectionner joint en caoutchouc et plaque tampon.
- Sélectionnez le rondelle de retenue.
- Calculer T et choisissez la longueur de goujon appropriée dans le tableau des séries.
Formules
- Réceptacle pour rivets/vis/soudures :
T = P + F - Assemblages de goujons étanches :
T = P + F + 3 - Prise à clip :
T = P + F(Pmin = 4, F = 1.5–6.0)
Verrouillage à œillet renforcé (série HGRTL)
Petite fixation pour charges de traction élevées avec une large gamme d'assemblages de goujons et de réceptacles fixes, flottants et réglables.




Comment sélectionner (HGRTL)
- Déterminez votre P et F épaisseur.
- Sélectionnez le goujon, grommet et anneau de retenue.
- Sélectionnez le rondelle de retenue.
- Calculer T en fonction du type de prise (standard ou scellée).
Formules
- Norme — Type A + B + D + E :
T = P + F - Standard — Type C :
T = P + F(8.9 min.) - Scellé — Type A + B + D + E :
T = P + F + 0.75 - Scellé — Type C :
T = P + F(8.9 min.) + 0.75